18903178757
联系电话
公司动态 |技术文档 |工程案例 |
ZX型机械振打袋式除尘器
发布日期:20-07-29
浏览次数:355

ZX型机械振打袋式除尘器简介

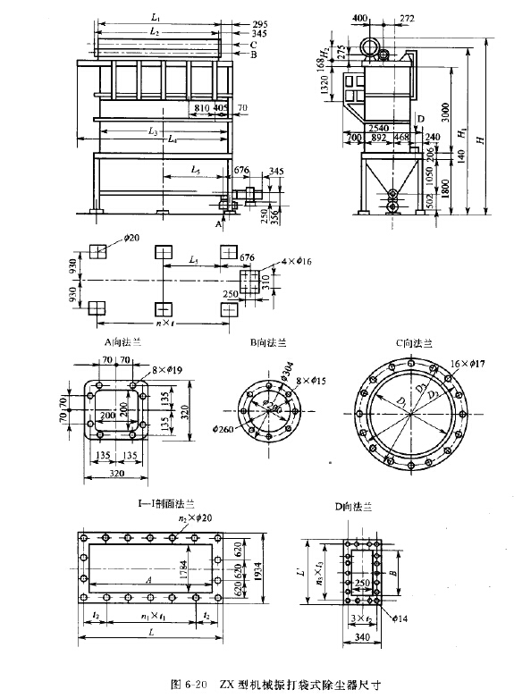
ZX型机械振打袋式除尘器是采用中部机械振打方式清灰,如图6-19所示„规格有28 条、42条、56条、7Q条、84条、SS条、112条和1別条滤袋共S种。其技术性能见表 6-30,规格见表6-31,尺寸见图6-20和表6-32.

ZX型机械振打袋式除尘器

ZX型机械振打袋式除尘器尺寸

ZX型机械振打袋式除尘器规格

 

公司简介-联系我们-人才招聘-资质文件-网站地图-

电话:18903178757

传真:0317-8041117

邮箱:28505225@qq.com

地址:河北省泊头市富镇开发区

冀ICP备16028451号-3

-

-

no cache
Processed in 2.711138 Second.