(1)结构特点
①具有螺旋形旁路分离器旁路式旋风除尘器是在一般旋风除尘器上增设螺旋形旁路
分离器。其含尘气体进口位置较低,能在除尘器顶部有 充足的空间形成上旋涡气流,使颗粒较细的粉尘生成粉 尘环,并由旁路分离器带人锥体。较粗粉尘颗粒随下旋 涡气流分离至外壁,其中部分粉尘由旁路分离室引出, 余下的粉尘随下气流进入灰斗6因此,对于20/xm以下 粉尘的除尘效率能达80%?90%,特别对于以上 粉尘有较高的除尘效率。
②具有特殊结构的锥体XLP/A型旁路式旋风除 尘器有双锥体结构,上锥体圆锥筒较大,形成突缩,有 利于生成粉尘环。下锥体更为细长,避免将分离出来的 粉尘带人中央区,被中心气流排出,
XLP/B型旁路式旋风除尘器具有较小圆锥角的单 锥体,锥体较长,能提高除尘效率。
旁路式旋风除尘器结构原理如图3-29所示

(2)技术性能
①除尘效率XLP型旁路式旋风除尘器在不同气 速下的除尘效率见表5‘41,在一定工况下的分级除尘 效率见表5-42。
XLP/A型旁路式旋风除尘器在进口气速为15. 5m/s 时,XLP/B型旁路式旋风除尘器在进口气速为18 . 5m/s时,对不同物料的除尘效率见 表 5-43。


(3)型号规格
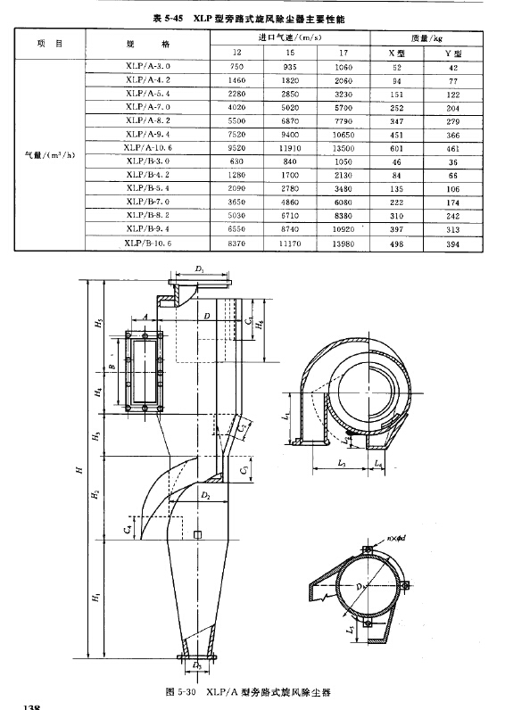
旁路式旋风除尘器有呈半螺旋彤的XLP/A型和呈全螺旋形的XLP/B型两种型号*规 格各有筒体直径为灼00?1060mm共7种。根据风机前后位置分为X型(吸人式)和Y型 (压人式),其中X型增加了出口蜗壳。按出口蜗壳旋转方向分为N型(左回旋)和S型 (右回旋其主要性能见表5_45。结构尺寸见图5_30、图和表5-46,表5-47,其配套 使用的蜗壳尺寸见图5-32和表进出口接管尺寸见图5-33和表5-49„




为处理大气量的需要,XLF/B型旁路式旋风除尘器另有筒体直径为>1250mni、 ♦1500mm、01750mm、#2000mm、#2250mm、#2500mm、^2750mm 和 >3000mm 共 8 种规 格,结构如图5-34所示,主要尺寸见表5-50。



(1)技术性能
XP型旁路式旋风除尘器的结构特点是具有蜗壳形的进气口和直形旁路分离室。适用于 一级工业通风除尘、工业废气中物料的回收^其技术性能见表5-51。

(2)除尘效率
以滑石粉、煤粉为试样,在直径为450mm、进q气速为18m/s、含尘浓度为6g/m3时,测得的除尘效率见表5-52。

(3)型号系列
XP型旁路式旋风除尘器尺寸见图5-35和表5-53。


电话:18903178757
传真:0317-8041117
邮箱:28505225@qq.com
地址:河北省泊头市富镇开发区
冀ICP备16028451号-3
-
-